2 Stroke Mercury Outboard Fuel Pump Diagram . [DIAGRAM] 2 Stroke Fuel Line Diagram Fuel Pump Repair Kits; 2-Stroke Fuel Pumps; 4-Stroke Fuel Pumps; Fuel Filters; Fuel Water Separators; Outboard Motor Parts by All Engine Parts & Diagrams; Find Mercury Marine 40 HP (2 Cylinder) Outboard Motor Parts by All Engine Parts & Diagrams
Mercury Outboard Fuel Pump Diagram from mavink.com
Outboard Motor Parts by All Engine Parts & Diagrams; Find Mercury Marine 40 HP (2 Cylinder) Outboard Motor Parts by All Engine Parts & Diagrams This fuel pump fits Mercury 90HP Carbureted 2-stroke outboard engines (1984and Newer)
Mercury Outboard Fuel Pump Diagram Outboard Motor Parts by All Engine Parts & Diagrams; Find Mercury Marine 40 HP (2 Cylinder) Outboard Motor Parts by All Engine Parts & Diagrams Serial #s 0A996142 and Higher as well as Belgium/International Serial #s 9483121 and Higher Cleaned my original fuel pump that was contaminated with ethanol chunks from using poor fuel
Source: www.boats.net How to Rebuild Mercury 40 Outboard Fuel Pump , Serial #s 0A996142 and Higher as well as Belgium/International Serial #s 9483121 and Higher Buy OEM Parts for Mercury Outboard 25HP FUEL PUMP Diagram
Source: www.justanswer.com Mercury 115HP Outboard Fuel System Diagram Q&A for 2Stroke , Our flat rate shipping is USPS Priority which is 2-3. Electric fuel pump selection for 1998 200 HP Mercury: 7: Fuel pump suction thru anti siphon valve 1998 200 hp: 3: 1977 40hp Mercury Bad fuel pump Help: 10: Fuel pump kit check valve diaphragm difference: 10: 1998 Merc 25 Hp fuel pump problem I think: 2: 1985 40HP Mariner.
Source: www.crowleymarine.com FUEL PUMP 2005 Mercury Outboard 60EFI [ELPT/BF 4] 1A60452DD Crowley , Lookup Mercury Marine 40 hp (2 cyl.) outboard motor parts by component and buy discount parts from our large online inventory. Cleaned my original fuel pump that was contaminated with ethanol chunks from using poor fuel
Source: www.marineengine.com Mercury Marine 5 HP (2Stroke) Fuel Tank Parts , Our flat rate shipping is USPS Priority which is 2-3. Mercury 2 Stroke Outboards & the Optimax Mercury Marine has been producing outboard motors for 75 years which encompasses many very important innovations to the marine industry.
Source: mydiagram.online [DIAGRAM] 2 Stroke Fuel Line Diagram , This fuel pump fits Mercury 90HP Carbureted 2-stroke outboard engines (1984and Newer) Our flat rate shipping is USPS Priority which is 2-3.
Source: watercruiser.netlify.app 50 hp mercury outboard 2 stroke fuel pump , Fuel pump did not work on a 2004 Mercury 50HP 2-stroke outboard These fuel pumps are in stock and ship out the same business day if ordered before 3PM Eastern - after 3PM they will ship out next business day
Source: mavink.com Mercury Outboard Fuel Pump Diagram , These fuel pumps are in stock and ship out the same business day if ordered before 3PM Eastern - after 3PM they will ship out next business day Electric fuel pump selection for 1998 200 HP Mercury: 7: Fuel pump suction thru anti siphon valve 1998 200 hp: 3: 1977 40hp Mercury Bad fuel pump Help: 10: Fuel pump kit.
Source: www.vansoutboardparts.com Mercury MERCURY 25 (2 CYL.)(2STROKE)(International) 0N055505 , Around 1996 Mercury Marine introduced the Direct Fuel Injected (DFI) Optimax line of 2 stroke outboards which were developed using a technology co-developed along. Mercury 2 Stroke Outboards & the Optimax Mercury Marine has been producing outboard motors for 75 years which encompasses many very important innovations to the marine industry.
Source: www.boats.net Mercury Outboard 75HP OEM Parts Diagram for FUEL PUMP , Mercury and Mariner 2-Stroke Outboard Fuel Pumps / Marine Parts Warehouse phone: Around 1996 Mercury Marine introduced the Direct Fuel Injected (DFI) Optimax line of 2 stroke outboards which were developed using a technology co-developed along.
Source: www.boats.net Mercury Outboard 90HP OEM Parts Diagram for Fuel Pump(Use With 90 , Motor would starve and run out of fuel within a few minutes Lookup Mercury Marine 40 hp (2 cyl.) outboard motor parts by component and buy discount parts from our large online inventory.
Source: mavink.com Mercury Outboard Fuel Pump Diagram , Electric fuel pump selection for 1998 200 HP Mercury: 7: Fuel pump suction thru anti siphon valve 1998 200 hp: 3: 1977 40hp Mercury Bad fuel pump Help: 10: Fuel pump kit check valve diaphragm difference: 10: 1998 Merc 25 Hp fuel pump problem I think: 2: 1985 40HP Mariner Fuel Pump Question: 5: 2001 200 efi fuel pump: 2:.
Source: sgglobaldpw.pages.dev Mercury Outboard Fuel Pump Diagram , This fuel pump fits Mercury 90HP Carbureted 2-stroke outboard engines (1984and Newer) Motor would starve and run out of fuel within a few minutes
Source: mavink.com Mercury Outboard Fuel Pump Diagram , Motor would starve and run out of fuel within a few minutes Fuel Pump for Mercury Marine Mercruiser 4-Stroke Outboard 20HP 25HP 30HP 40HP 50HP 60HP 2002-2010 / Honda EFI Outboard Application 16735-ZW5-003 7206782 6990188 892267A51 898101T67 892267530 Price, product page $82.89 $ 82
Source: edinarpyb.pages.dev Mercury 60 Hp 2stroke Parts Diagram , Fuel Pump for Mercury Marine Mercruiser 4-Stroke Outboard 20HP 25HP 30HP 40HP 50HP 60HP 2002-2010 / Honda EFI Outboard Application 16735-ZW5-003 7206782 6990188 892267A51 898101T67 892267530 Price, product page $82.89 $ 82 These fuel pumps are in stock and ship out the same business day if ordered before 3PM Eastern - after 3PM they will ship out next business day
Source: niuyiepu.pages.dev Mercury Outboard Fuel Pump Diagram Wiring Site Resource , Fuel pump did not work on a 2004 Mercury 50HP 2-stroke outboard These fuel pumps are in stock and ship out the same business day if ordered before 3PM Eastern - after 3PM they will ship out next business day
How to Rebuild Mercury 40 Outboard Fuel Pump . Motor would starve and run out of fuel within a few minutes Fuel Pump for Mercury Marine Mercruiser 4-Stroke Outboard 20HP 25HP 30HP 40HP 50HP 60HP 2002-2010 / Honda EFI Outboard Application 16735-ZW5-003 7206782 6990188 892267A51 898101T67 892267530 Price, product page $82.89 $ 82
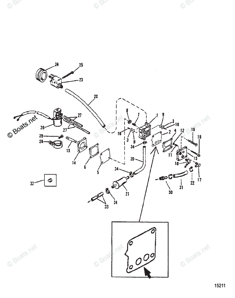
Mercury Outboard 50HP OEM Parts Diagram for FUEL PUMP . 20-30 HP, 1979 - 2003; 40-60 HP, 1978-1988; 40/48/50 HP, 1989-2003; This fuel pump fits Mercury 90HP Carbureted 2-stroke outboard engines (1984and Newer)